| 文件名 | 备注 | 更新时间 |
|---|
| 外观 | ||||||||
| 外壳颜色 | 黑 色 | 无 | ||||||
| 主触点参数 | ||||||||
| 触点形式 | H-常开 | 最大切换电压 | 1500VDC | |||||
| 触点材料 | 银铜合金/AgSnO₂ | 最大负载电流 | 1000A | |||||
| 接触电阻 | ≤0.3mΩ(@200A) | 额定负载电流 | 200A | |||||
| 接触压降 | / | 最小负载电流 | 6V/1A | |||||
| 触点额定负载 | 200A 1500VDC 阻性 | |||||||
| 辅助触点参数 | ||||||||
| 结构 | H-常开 | 额定负载 | DC12V 0.1A | |||||
| 接触电阻 | ≤100mΩ(@0.1A) | 切换电寿命 | DC12V 0.1A 10000次 | |||||
| 备注:上述触点参数值均为常温时的初始值 | ||||||||
| 线圈参数表 | ||||||||
| 额定电压 (VDC) | 吸合电压 ¹ (VDC) | 释放电压 ¹ (VDC) | 工作电压 ² (VDC) | 线圈电阻 (Ω)±10% | 线圈启动 电流(A) | 启动时间(ms) | 启动功耗(W) | 稳态功率(W) |
| 12 | ≤9 | ≥1 | 9~16 | 24 | 0.5 | / | 6 | 6 |
| 24 | ≤18 | ≥2 | 18~32 | 96 | 0.5 | / | 6 | 6 |
| PWM型 | ≤9 | ≥5 | 9~36 | 3.1* | 3.8* | ≤150* | 46* | 2.5* |
| 线圈保持电压:40%~100%∪n(环境温度25℃) 50%~60%∪n(环境温度85℃) | ||||||||
| 注:(1)线圈保持电压为线圈施加额定电压100mS以上的线圈电压;(2)继电器线圈不允许长时间施加超过保护 | ||||||||
| 电压的上限值,防止线圈过热烧坏。(3)“*”:表示为12V电压时 | ||||||||
| 环境性能参数 | ||||||||
| 工作温度 | -40℃~85℃ | 使用温度范围是代表继电器在线圈的动作电压范围内可以持续动作的温度范围(低温无水滴凝结现象) | ||||||
| 湿度 | 5%-85%RH | |||||||
| 储存温度 | -40℃~70℃ | 储存温度范围是代表继电器在没有损伤状况下,可以被储存的的温度范围(低温无水滴凝结现象) | ||||||
| 机械振动 | 振动耐久能力 | 10~500HZ , 双振幅1.5mm, 加速度 49 m/s2 | ||||||
| 耐振动(误动作) | / | |||||||
| 机械冲击 | 稳定性 | 闭合:588m/s2 ,断开:196 m/s2 | ||||||
| 强度 | 588 m/s2 | |||||||
| 耐寒性 | 使用耐寒性 | 继电器在没有输入状态下,在恒温箱-30 ± 2℃的溫度连续保持 2 小時。保持原状态操作回路上的定额电压实验时继电器能正常动作。(低温时没有水滴凝结现象) | ||||||
| 储存耐寒性 | 继电器在恒温箱-40 ± 2℃的溫度连续保持 72 小时。然后于常温中消除水滴 1-2 小时后,进行结构、动作、及绝缘阻抗、耐压测试,结果符合要求(低温无水滴凝结现象) | |||||||
| 耐热性 | 使用耐热性 | 继电器在操作回路上提供定额电压,接点部分提供定额电流状态下,在恒温 70 ± 2℃的溫度连续保持 2 小时,保持原状态进行继电器动作测试,结果必须符合规格要求。 | ||||||
| 储存耐热性 |
继电器在恒温箱 70 ± 2℃的溫度连续保持 16 小时,在常温,常湿状态下,放置 1-2 小时后,进行结构、动作、绝缘阻耐压测试,结果符合要求。 |
|||||||
| 耐湿性 | 继电器在溫度 40 ± 2℃,相对温度在 90~95%环境下连续保持 48 小时,然后于常温常湿状态放置 1-2 小时,进行结构、动作、绝缘阻抗、耐压测试,结果需要符合要求 | |||||||
| 电性能参数 | ||||||||
| 介质耐压 | 触点-触点 | 4000VAC 50/60 Hz 1min | 试验中不允许有飞弧、闪络或绝缘击穿现象,漏电流不得大于1mA | 电寿命后介质耐压不低于原值的75%,泄漏电流≤3mA,时间1分钟 | ||||
| 触点-线圈 | 4000VAC 50/60 Hz 1min | |||||||
| 同极触点间 | 4000VAC 50/60 Hz 1min | |||||||
| 耐热和阻燃 | F级绝缘等级 | 六面灼热丝 | ||||||
| 吸合时间(额定电压) | ≤30ms | 不含触点抖动时间 | ||||||
| 释放时间(额定电压) | ≤10ms | 不含触点抖动时间 | ||||||
| 回跳时间(额定电压) | ≤5ms | 触点抖动时间 | ||||||
| 浪涌电压(线圈和触点间) | 10KV | (1.2/50∪s) | ||||||
| 温升 | 线圈温升 | ≤70K | 触点负载200A,50~60%额定电压激励,环境温度55℃ | |||||
| 触点温升 | ≤100K | 触点负载200A,额定电压激励,环境温度55℃ | ||||||
| 绝缘电阻 | 主触点间 | ≥1000MΩ | (500VDC) | |||||
| 主辅触点间 | ≥1000MΩ | (500VDC) | ||||||
| 同极触点间 | ≥1000MΩ | (500VDC) | ||||||
| 电气寿命 | 切换 | 10×10⁴ | 200A/20VDC | |||||
| 接通 | / | / | ||||||
| 分断 | 1.5×10⁴ | 20A/1500VDC | ||||||
| 500 | 80A/1500VDC | |||||||
| 1000 | 200A/1000VDC | |||||||
| 100 | 200A/1500VDC | |||||||
| 1 | 1000A/1500VDC | |||||||
| 短路电流 | 1 | 8000A(5ms);节能型的为6000A | ||||||
| 机械寿命 | 2×105 | 无负载连续动作次数,频率为每分钟 60 次 | ||||||
| 结构 | ||||||||
| 安装方式 | 法兰盘式 | |||||||
| 重量 | 约320g / PWM(约315g) | |||||||
| 封装结构 | 防焊剂型 | |||||||
| 安全认证 | ||||||||
| 认证类型 | 认证号 | 测试条件 | 认证类型 | 认证号 | 测试条件 | |||
| UL/CUL | 阻性切换:50A@1500VDC,6000次 | CQC | 负载1:50A@1500VDC | |||||
| 阻性分断:250A@1500VDC,100次 | 阻性分断2:300A@300VDC | |||||||
| T∪V | 负载1:50A@1500VDC | CE | 负载1:50A@1500VDC | |||||
| 阻性分断2:250A@1500VDC,100次 | 阻性分断2:250A@1500VDC,100次 | |||||||
| 备注:(1)每个负载的详细测试条件不同,因此实际电寿命次数不一样。(2)以上认证待进行中。 | ||||||||
| 标准及包装方式 | ||||||||
| 抽样检查标准 | GB2828-2012 以一般检查水平Ⅲ级 AQL-0.65 | |||||||
| 来料包装形式 | 内包装用塑盒包装,外包装用牢固的纸箱包装 | |||||||
| 运输规定事项 | 产品运输过程中应注意防止重压、跌落、防潮和防热 | |||||||
标识解析:
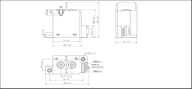
外形尺寸图、接线图(单位:mm):